ISO/IEC 17025:2017 Accredited
Review our Certificate and Scope of Accreditation. Feel free to download and save for your records.
PJLA-certificate-of-accreditation
We have some of the best minds in the business, and better facilities lead to more accurate results.

Let us incorporate captioned images and data tables into presentation pages good enough for a short-notice boardroom meeting; no need to rewrite our report into your company report format. Most clients can present our detailed and bullet-pointed images as their own work.
Formal reports include conclusions backed up by scientific evidence, executive summaries, and discussions so you can move forward with business decisions, correct a supplier, or explain a quality-related failure to a customer.
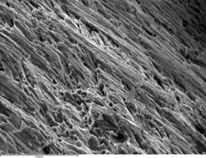
Investigate why a product failed using our impressive facilities and experienced personnel. Our 10,000-sq. ft. lab has an open floor plan designed to expedite test specimens from one set of test instruments to the next. We have an upscale, clean test environment housing a Chemistry Lab, Mechanical Lab, Metallurgical Lab and Surface Analysis Lab. Double doors and a fork lift can accommodate large crates or heavy industrial parts.
Our executive area, near a large sample selection room, has separate huddle rooms and a conference room. The huddle rooms allow for private retreats for personal interests or conversations between groups. If you wish to observe from a distance, relax in a lounge equipped with premium cable HDTV, easy chairs, and cold beverages. Want to work while your expert collects data? Stolk Labs offers four dedicated task desks to make paperwork on other matters achievable during visits.

ISO/IEC 17025:2017 AccreditedPJLA-certificate-of-accreditation